首页 企业简介 企业资质 企业动态 产品展示 检修保运 留言反馈 联系我们
 
  产品展示  
 
 
CV3000  
 
碟阀  
 
球阀  
 
自立式阀  
 
偏心旋转阀  
 
执行机构  
 
附件  

 





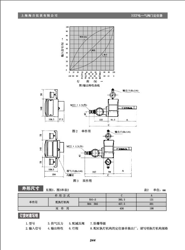
HEP 电-气阀门定位器

 

 
 
 
上海海吉仪表有限公司版权所有
地址:上海崇明县堡镇堡港路109号
电话:86-021-59417268      传真:86-021-59417269